

JSOM-R68C
»ùÓÚÈðо΢¹¤¹æ¼¶ RK3568J SoCÉè¼Æ£¬£¬£¬£¬£¬£¬£¬£¬Ö§³Ö¿íΠ-40~85¡æ Ó¦ÓÃÇéÐΣ¬£¬£¬£¬£¬£¬£¬£¬ÊÊÅä Android/Linux µÈ¶àÖÖ²Ù×÷ϵͳ£¬£¬£¬£¬£¬£¬£¬£¬ÎªÄú´øÀ´¸ßÐԼ۱ȵÄÐÔÄÜÉý¼¶¡£¡£¡£¡£¡£¡£¡£¡£
- ?
- ARMƽ̨ SMARC 2.1.1±ê×¼½¹µãÄ£¿£¿£¿£¿£¿£¿£¿£¿é
- ?
- »ùÓÚÈðо΢¹¤¹æ¼¶ RK3568J SoCÉè¼Æ
- ?
- 4x Cortex-A55 + 1 TOPS NPU + Mali-G52 3D GPU
- ?
- °åÔØ 2/4GB LPDDR4/4X + 16/32/64/128GB eMMC 5.1
- ?
- ÏÔʾ£º1x HDMI¡¢1x eDP¡¢1x LVDS/MIPI-DSI
- ?
- I/O£º1x GbE¡¢2x PCIe¡¢4x USB¡¢4x UART¡¢2x CAN
- ?
- DC 5V£¬£¬£¬£¬£¬£¬£¬£¬Ö§³Ö 3.6~5.25V ï®µç³Ø¹©µç
- ?
- Ö§³Ö¿íΠ-40~85¡æ Ó¦ÓÃÇéÐÎ
CPU | Rockchip RK3568J/RK3568B2 ËĺË64λ´¦Öóͷ£Æ÷ Quad core Arm Cortex-A55, ×î´óÖ÷Ƶ 2.0GHz (³£ÎÂ) / 1.4-1.8GHz (¿íÎÂ) |
NPU | 1 TOPS Neural Network performance |
GPU | Arm Mali-G52 1-Core-2EE, Ö§³Ö OpenGL ES 1.1/2.0/3.2, Vulkan 1.0/1.1, OpenCL 2.0 FP |
Ó²¼þ±à½âÂë | Ö§³Ö H.265/H.264/VP9/VP8 ÊÓÆµ½âÂë, ×î¸ß4K60; Ö§³Ö H.265/H.264 ÊÓÆµ±àÂë, ×î¸ß1080p60 |
ÄÚ´æ | °åÔØ 2GB/4GB/8GB LPDDR4/4X |
´æ´¢ | °åÔØ 32GB/64GB/128GB eMMC 5.1 for OS |
ÒÔÌ«Íø | 1x 10/100/1000 Mbps |
ÏÔʾ | 1x HDMI 2.0a, Ö§³Ö 4K30 Êä³ö 1x 4-lane eDP 1.3 1x 4-lane MIPI-DSI / µ¥Í¨µÀLVDS (Èí¼þÇл») Ö§³ÖË«ÆÁÒìÏÔ»òÈýÆÁͬÏÔ, ¶àÖÖÏÔʾ×éºÏ |
ÉãÏñÍ· | 1x 4-lane MIPI-CSI Ö§³Ö 8M ISP with HDR |
ÒôƵ | 2x I2S ÓÃÓÚÒôƵÊäÈëÊä³ö |
PCIe | 1x PCIe 3.0 1-lane, 1x PCIe 2.0 1-lane (Óë SATA ¸´ÓÃ) |
SATA | 1x SATA 3.0 (Óë PCIe 2.0 ¸´ÓÃ) |
USB | 2x USB 3.0 Host, 2x USB 2.0 Host, 1x USB 2.0 OTG/Host |
´®¿Ú | 2x 4-wire UART, 2x 2-wire UART (ÆäÖÐÒ»¸öÓÃÓÚµ÷ÊÔ) |
ÆäËû I/O | 1x SDIO (4 bit, for SD cards), 2x CAN, 2x SPI, 5x I2C, 14x GPIO |
À©Õ¹¹¦Ð§ | Ö§³Ö×ÔÁ¦¿´ÃŹ·, ׼ʱ¿ª¹Ø»ú |
µçÔ´ | DC 5V, Ö§³Ö 3.6~5.25V ï®µç³Ø¹©µç |
¹æ·¶/³ß´ç | SMARC 2.1.1 314-pin MXM ½ðÊÖÖ¸, 82mm x 50mm |
²Ù×÷ϵͳ | Debian 10, Android 11 |
Æô¶¯·½·¨ | eMMC or SD, ĬÈÏ eMMC |
ÊÂÇéζÈ/ʪ¶È | 0~60¡æ/-20~70¡æ/-40~85¡æ ¿ÉÑ¡, 10%~90% RH ÎÞÀäÄý |
Öü´æÎ¶È/ʪ¶È | -40~85¡æ, 5%~90% RH ÎÞÀäÄý |

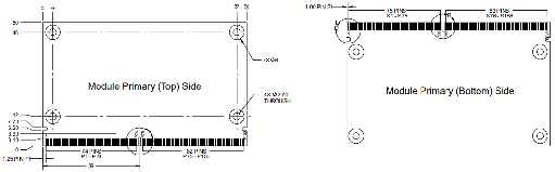
²úÆ·³ß´ç

²úÆ·Ñ¡ÐÍ
²úÆ·ÐͺŠ| SoC | ÄÚ´æ | Flash | GbE | PCIe | SATA | USB | UART | CAN | ÊÂÇéÎÂ¶È |
JSOM-R68C-AQH02 | RK3568J | 4GB | 64GB | 1 | 2 | 1* | 4 | 4 | 2 | -40~85¡æ |
JSOM-R68C-AQM02 | RK3568J | 4GB | 32GB | 1 | 2 | 1* | 4 | 4 | 2 | -40~85¡æ |
JSOM-R68C-BQX02 | RK3568B2 | 8GB | 64GB | 1 | 2 | 1* | 4 | 4 | 2 | 0~60¡æ |
JSOM-R68C-BQMR2 | RK3568B2 | 4GB | 32GB | 1 | 2 | 1* | 4 | 4 | 2 | 0~60¡æ |
2121·Ç·²¹Ù·½ÍøÕ¾ÖÇÄÜΪÄúÌṩÁ¿Éí¶¨ÖÆµÄ½â¾ö¼Æ»®£¬£¬£¬£¬£¬£¬£¬£¬Öª×ã´Ó²úÆ·½ç˵µ½ÈíÓ²¼þ¿ª·¢µÄÖÖÖÖÐèÇ󣬣¬£¬£¬£¬£¬£¬£¬»á°²ÅÅ×ÊÉî²úÆ·¹¤³ÌʦΪÄú·þÎñ¡£¡£¡£¡£¡£¡£¡£¡£





