
JSOM-N8PC
»ùÓÚ¹¤¹æ¼¶ NXP i.MX 8M Plus SoCÉè¼Æ£¬£¬£¬£¬£¬£¬£¬Ö§³Ö¿íΠ-40~85¡æ Ó¦ÓÃÇéÐΣ¬£¬£¬£¬£¬£¬£¬ÊÊÅä Android/Linux µÈ¶àÖÖ²Ù×÷ϵͳ£¬£¬£¬£¬£¬£¬£¬ÎªÄúÌṩÎȹ̿ɿ¿µÄÇáÁ¿»¯±ßÑØAI½â¾ö¼Æ»®¡£¡£¡£¡£¡£¡£¡£¡£
- ?
- ARMƽ̨ SMARC 2.1.1±ê×¼½¹µãÄ£¿£¿£¿£¿£¿£¿£¿é£»£»£»£»£»£»£» »ùÓÚ¹¤¹æ¼¶ NXP i.MX 8M Plus SoCÉè¼Æ£»£»£»£»£»£»£» 4x Cortex-A53 + 1x Cortex-M7 + 2.3 TOPS NPU£»£»£»£»£»£»£» °åÔØ 2/4/6GB LPDDR4 + 16/32/64GB eMMC 5.1£»£»£»£»£»£»£» ÏÔʾ£º1x LVDS+1x MIPI-DSI »ò 1x ˫ͨµÀLVDS£¬£¬£¬£¬£¬£¬£¬1x HDMI£»£»£»£»£»£»£» I/O£º2x GbE¡¢1x PCIe¡¢5x USB¡¢4x UART¡¢2x CAN£»£»£»£»£»£»£» DC 5V£¬£¬£¬£¬£¬£¬£¬Ö§³Ö 3.6~5.25V ï®µç³Ø¹©µç£»£»£»£»£»£»£» Ö§³Ö¿íΠ-40~85¡æ Ó¦ÓÃÇéÐÎ
CPU | NXP i.MX 8M Plus 4x Arm Cortex-A53, ×î´óÖ÷Ƶ 1.8GHz (³£ÎÂ) / 1.6GHz (¿íÎÂ) 1x Arm Cortex-M7 ʵʱÐÔд¦Öóͷ£Æ÷, ×î´óÖ÷Ƶ 800MHz | |
NPU | 2.3 TOPS Neural Network performance | |
GPU | Vivante GC7000UL, supports OpenVG 1.1, Open GL ES 3.1, Vulkan, and Open CL 1.2 FP | |
Ó²¼þ±à½âÂë | Ö§³Ö H.265/H.264/VP9/VP8 ÊÓÆµ½âÂë, ×î¸ß1080p60; Ö§³Ö H.265/H.264 ÊÓÆµ±àÂë, ×î¸ß1080p60 | |
ÄÚ´æ | °åÔØ 2GB/4GB/6GB LPDDR4 | |
´æ´¢ | °åÔØ 16GB/32GB/64GB eMMC 5.1 for OS | |
ÒÔÌ«Íø | 2x 10/100/1000 Mbps | |
ÏÔʾ | 1x HDMI 2.0a, Ö§³Ö 4K30 Êä³ö 1x 4-lane MIPI-DSI 1x µ¥Í¨µÀ LVDS Ö§³ÖË«ÆÁÒìÏÔ»òÈýÆÁͬÏÔ | 1x HDMI 2.0a, Ö§³Ö 4K30 Êä³ö 1x ˫ͨµÀ LVDS Ö§³ÖË«ÆÁÒìÏÔ»òͬÏÔ |
ÉãÏñÍ· | 1x 4-lane MIPI-CSI, 1x 2-lane MIPI-CSI | |
ÒôƵ | 2x I2S ÓÃÓÚÒôƵÊäÈëÊä³ö | |
PCIe | 1x PCIe 3.0 1-lane | |
SATA | - | |
USB | 2x USB 3.0 Host, 2x USB 2.0 Host, 1x USB 2.0 OTG/Host | |
´®¿Ú | 2x 4-wire UART, 2x 2-wire UART for debug | |
ÆäËû I/O | 1x SDIO (4 bit, for SD cards), 2x CAN FD, 2x SPI, 5x I2C, 14x GPIO | |
À©Õ¹¹¦Ð§ | Ö§³Ö×ÔÁ¦¿´ÃŹ·, ׼ʱ¿ª¹Ø»ú | |
µçÔ´ | DC 5V, Ö§³Ö 3.6~5.25V ï®µç³Ø¹©µç | |
¹æ·¶/³ß´ç | SMARC 2.1.1 314-pin MXM ½ðÊÖÖ¸, 82mm x 50mm | |
²Ù×÷ϵͳ | Yocto 3.5 Linux, Ubuntu 22.04, Android 11 | |
Æô¶¯·½·¨ | eMMC or SD, ĬÈÏ eMMC | |
ÊÂÇéζÈ/ʪ¶È | -20~70¡æ/-40~85¡æ ¿ÉÑ¡, 10%~90% RH ÎÞÀäÄý | |
Öü´æÎ¶È/ʪ¶È | -40~85¡æ, 5%~90% RH ÎÞÀäÄý | |

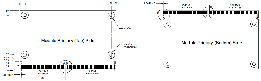
²úÆ·³ß´ç

²úÆ·Ñ¡ÐÍ
²úÆ·ÐͺŠ| SoC | ÄÚ´æ | Flash | ÏÔʾ | GbE | PCIe | USB | UART | CAN | ÊÂÇéÎÂ¶È |
JSOM-N8PC-A8ML3 | i.MX 8M Plus Quad 1.6 GHz | 4GB | 32GB | HDMI+Dual LVDS | 2 | 1 | 5 | 4 | 2 | -20~70¡æ |
JSOM-N8PC-A8MM3 | i.MX 8M Plus Quad 1.6 GHz | 4GB | 32GB | HDMI+MIPI+LVDS | 2 | 1 | 5 | 4 | 2 | -20~70¡æ |
2121·Ç·²¹Ù·½ÍøÕ¾ÖÇÄÜΪÄúÌṩÁ¿Éí¶¨ÖÆµÄ½â¾ö¼Æ»®£¬£¬£¬£¬£¬£¬£¬Öª×ã´Ó²úÆ·½ç˵µ½ÈíÓ²¼þ¿ª·¢µÄÖÖÖÖÐèÇ󣬣¬£¬£¬£¬£¬£¬»á°²ÅÅ×ÊÉî²úÆ·¹¤³ÌʦΪÄú·þÎñ¡£¡£¡£¡£¡£¡£¡£¡£





