
JSOM-N8MC
»ùÓÚ¹¤¹æ¼¶ NXP i.MX 8M Mini SoCÉè¼Æ£¬£¬£¬£¬£¬Ö§³Ö¿íΠ-40~85¡æ Ó¦ÓÃÇéÐΣ¬£¬£¬£¬£¬ÊÊÅä Android/Linux µÈ¶àÖÖ²Ù×÷ϵͳ£¬£¬£¬£¬£¬Êǵ͹¦ºÄǶÈëʽӦÓõÄ×îÓÅÑ¡Ôñ¡£¡£¡£¡£¡£¡£
- ?
- ARMƽ̨ SMARC 2.1.1±ê×¼½¹µãÄ£¿£¿£¿£¿£¿é
- ?
- »ùÓÚ¹¤¹æ¼¶ NXP i.MX 8M Mini SoCÉè¼Æ
- ?
- 4x Cortex-A53 + 1x Cortex-M4 + GC NanoUltra 3D GPU
- ?
- °åÔØ 2/4GB LPDDR4 + 16/32/64GB eMMC 5.1
- ?
- ÏÔʾ£º1x MIPI-DSI / ˫ͨµÀLVDS ¿ÉÑ¡
- ?
- I/O£º1x GbE¡¢1x PCIe¡¢5x USB¡¢4x UART
- ?
- ¿ÉÑ¡°åÔØ WiFi+BT Ä£¿£¿£¿£¿£¿é
- ?
- DC 5V£¬£¬£¬£¬£¬Ö§³Ö 3.6~5.25V ï®µç³Ø¹©µç
- ?
- Ö§³Ö¿íΠ-40~85¡æ Ó¦ÓÃÇéÐÎ
CPU | NXP i.MX 8M Mini 4x Arm Cortex-A53, ×î´óÖ÷Ƶ 1.8GHz (³£ÎÂ) / 1.6GHz (¿íÎÂ) 1x Arm Cortex-M4 ʵʱÐÔд¦Öóͷ£Æ÷, ×î´óÖ÷Ƶ 400MHz |
NPU | - |
GPU | Vivante GC NanoUltra, Ö§³Ö OpenGL ES 2.0, OpenVG 1.1 |
Ó²¼þ±à½âÂë | Ö§³Ö H.265/H.264/VP9/VP8 ÊÓÆµ½âÂë, ×î¸ß1080p60; Ö§³Ö H.264/VP8 ÊÓÆµ±àÂë, ×î¸ß1080p60 |
ÄÚ´æ | °åÔØ 2GB/4GB LPDDR4 |
´æ´¢ | °åÔØ 16GB/32GB/64GB eMMC 5.1 for OS °åÔØ 32MB QSPI NOR Flash for Ö÷°åÐÅÏ¢ |
ÒÔÌ«Íø | 1x 10/100/1000 Mbps |
ÏÔʾ | 1x 4-lane MIPI-DSI / ˫ͨµÀLVDS ¿ÉÑ¡ |
ÉãÏñÍ· | 1x 4-lane MIPI-CSI |
ÒôƵ | 2x I2S ÓÃÓÚÒôƵÊäÈëÊä³ö |
PCIe | 1x PCIe 2.0 1-lane |
SATA | - |
USB | 4x USB 2.0 Host, 1x USB 2.0 OTG/Host |
´®¿Ú | 2x 4-wire UART, 2x 2-wire UART for debug |
ÆäËû I/O | 1x SDIO (4 bit, for SD cards), 2x SPI, 4x I2C, 14x GPIO |
À©Õ¹¹¦Ð§ | Ö§³Ö×ÔÁ¦¿´ÃŹ·, ׼ʱ¿ª¹Ø»ú ¿ÉÑ¡°åÔØ WiFi Ä£¿£¿£¿£¿£¿é |
µçÔ´ | DC 5V, Ö§³Ö 3.6~5.25V ï®µç³Ø¹©µç |
¹æ·¶/³ß´ç | SMARC 2.1.1 314-pin MXM ½ðÊÖÖ¸, 82mm x 50mm |
²Ù×÷ϵͳ | Yocto 3.5 Linux, Ubuntu 22.04, Android 11 |
Æô¶¯·½·¨ | eMMC or SD, ĬÈÏ eMMC |
ÊÂÇéζÈ/ʪ¶È | -20~70¡æ/-40~85¡æ ¿ÉÑ¡, 10%~90% RH ÎÞÀäÄý |
Öü´æÎ¶È/ʪ¶È | -40~85¡æ, 5%~90% RH ÎÞÀäÄý |

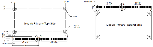
²úÆ·³ß´ç

²úÆ·Ñ¡ÐÍ
²úÆ·ÐͺŠ| SoC | ÄÚ´æ | Flash | WiFi | ÏÔʾ | GbE | PCIe | USB | UART | ÊÂÇéÎÂ¶È |
JSOM-N8MC-A6ML2 | i.MX 8M Mini Quad 1.6 GHz | 4GB | 32GB | Yes | LVDS | 1 | 1 | 5 | 4 | -20~70¡æ |
JSOM-N8MC-A6MM2 | i.MX 8M Mini Quad 1.6 GHz | 4GB | 32GB | No | MIPI-DSI | 1 | 1 | 5 | 4 | -20~70¡æ |
2121·Ç·²¹Ù·½ÍøÕ¾ÖÇÄÜΪÄúÌṩÁ¿Éí¶¨ÖÆµÄ½â¾ö¼Æ»®£¬£¬£¬£¬£¬Öª×ã´Ó²úÆ·½ç˵µ½ÈíÓ²¼þ¿ª·¢µÄÖÖÖÖÐèÇ󣬣¬£¬£¬£¬»á°²ÅÅ×ÊÉî²úÆ·¹¤³ÌʦΪÄú·þÎñ¡£¡£¡£¡£¡£¡£





